

项目名称 | 中国石化销售股份有限公司江西吉安泰和石油分公司京九加油站 安全现状评价报告 | ||||
项目简介 | 中国石化销售股份有限公司江西吉安泰和石油分公司京九加油站于2003年6月5日经吉安市市场监督管理局核准注册成立,营业场所位于江西省吉安市泰和县文田开发区。类型:外商投资企业分公司,负责人:周利平,营业执照统一社会信用代码为:91360826MA35HHUR8C。营业执照核准经营范围:许可项目:危险化学品经营,成品油仓储,成品油零售,成品油零售(不含危险化学品),**类增值电信业务,第二类增值电信业务,第三类医疗器械经营,出版物零售,**代理业务,***零售,发电业务、输电业务、供(配)电业务,互联网直播技术服务,酒类经营,食品销售,小食杂,网络文化经营,药品零售,燃气经营,烟草制品零售,出版物批发,旅游业务,住宿服务,餐饮服务,港口经营,保税仓库经营,保税物流中心经营(依法须经批准的项目,经相关部门批准后在许可**期内方可开展经营活动,具体经营项目和许可期限以相关部门批准文件或许可证件为准)一般项目:办公设备销售,电池销售,成品油仓储(不含危险化学品),成品油批发(不含危险化学品),轮胎销售,**类医疗器械销售,第二类医疗器械销售,低温仓储(不含危险化学品等需许可审批的项目),电动自行车销售,宠物食品及用品批发,电动汽车充电基础设施运营,非电力家用器具销售,化妆品批发,化妆品零售,个人卫生用品销售,会议及展览服务,金银制品销售,集中式**充电站,普通货物仓储服务(不含危险化学品等需许可审批的项目),人力资源服务(不含职业中介活动、劳务派遣服务),食品互联网销售(仅销售预包装食品),食用农产品零售,外卖递送服务,消毒剂销售(不含危险化学品),新能源汽车换电设施销售,站用加氢及储氢设施销售,钟表销售,**化学产品销售(不含危险化学品),保健食品(预包装)销售,针纺织品销售,服装服饰零售,日用品销售,五金产品零售,家用电器销售,单用途商业预付卡代理销售,电子产品销售,润滑油销售,石油制品销售(不含危险化学品),户外用品销售,汽车销售,摩托车及零配件零售,农副产品销售,化肥销售,农用薄膜销售,安防设备销售,礼品花卉销售,计算机软硬件及辅助设备零售,橡胶制品销售,机械设备销售,珠宝首饰批发,珠宝首饰零售,玩具销售,乐器批发,乐器零售,家具销售,建筑材料销售,机动车充电销售,技术服务、技术开发、技术咨询、技术交流、技术**、技术推广,机动车修理和维护,物业管理,停车场服务,居民日常生活服务,票务代理服务,广告制作,广告发布,广告设计、代理,洗车服务,信息咨询服务(不含许可类信息咨询服务),软件开发,货物进出口,食品进出口,技术进出口,进出口代理,汽车装饰用品销售,租赁服务(不含许可类租赁服务),小微型客车租赁经营服务(除依法须经批准的项目外,凭营业执照依法自主开展经营活动)。 中国石化销售股份有限公司江西吉安泰和石油分公司京九加油站设有1台95#汽油/0#柴油/92#汽油/0#柴油4枪加油机、1台92#汽油/0#柴油/95#汽油/0#柴油4枪加油机、1台0#柴油/92#汽油/95#汽油/92#汽油4枪加油机、1台95#汽油/0#柴油/92#汽油/0#柴油4枪加油机、尿素加注机(防爆,按柴油加油机确认)布置;1台50m³0#柴油双层埋地储罐、1台50m³0#柴油双层埋地储罐、1台30m³92#汽油双层埋地储罐、1台30m³95#汽油双层埋地储罐,油品*大储存能力为110m³(柴油罐容积折半计入油罐总容积),属二级加油站,汽油卸油、加油设置了油气回收系统。 中国石化销售股份有限公司江西吉安泰和石油分公司京九加油站于2022年10月24日经吉安市应急管理局核准,换发了新的《危险化学品经营许可证》,证书编号:赣吉危化经字[2022]360800000059号,许可范围:成品油。**期2022年10月31日至2025年10月30日。 | ||||
委托单位联系人 | 周利平 | 联系电话 | 0796-5332230 | ||
项目组长 | 谢英煌 | 技术专家 | —— | ||
报告编制人 | 谢英煌、刘于萍、龙镜生 | 报告审核人 | 邬长福 | ||
技术负责人 | 黄伯良 | 注册安全工程师 | —— | ||
过程控制负责人 | 刘赟 | 参与评价安全评价师 | 谢英煌、龙镜生、刘于萍、刘赟、 陈嘉鸣 | ||
现场工作人员 | 谢英煌、龙镜生、陈嘉鸣 | ||||
主要任务 |
现场收集企业基本信息,为保障评价对象建成或实施后能安全运行,应从评价对象的总图布置、功能分布、工艺流程、设施、设备、装置等方面提出安全技术对策措施;从评价对象的组织机构设置、人员管理、物料管理;应急救援管理等方面提出安全管理对策措施;从**评价对象安全运行的需要提出其他安全对策措施。
| ||||
现场工作时间 | 2025.6 | 报告提交时间 | 2025.9.10 | ||
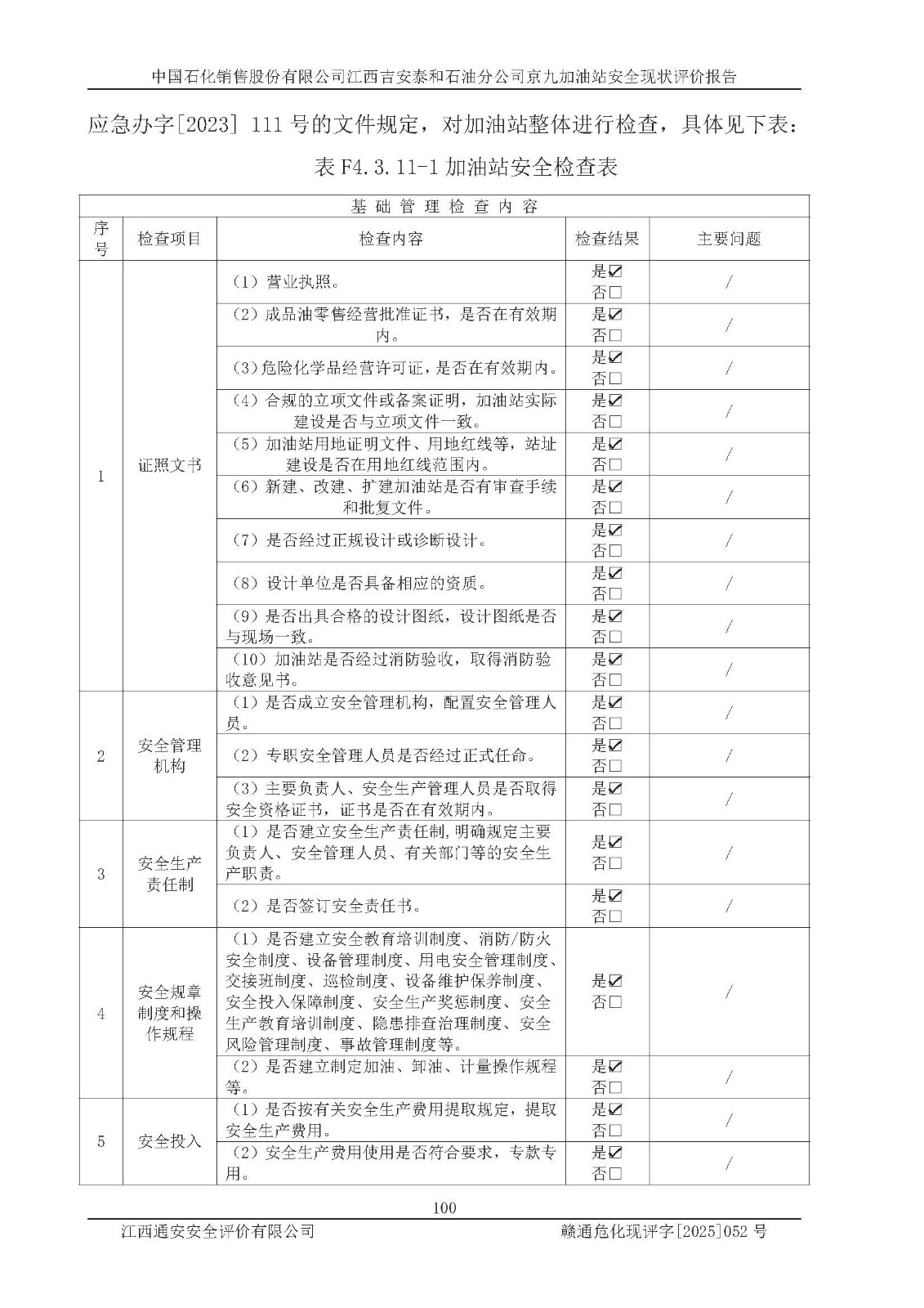
其它 | 在对该项目危险、有害因素辨识分析的基础上,运用安全检查表、预作业条件危险性分析法、危险度评价、重大事故后果分析结果等评价方法对该项目进行了分析评价,评价结果如下: 1、该项目位于江西省吉安市泰和县文田开发区,符合当地规划,与周边环境的距离符合有关标准、规范的要求。 2、总图布置分区明确,布局合理,各建构筑物的防火间距满足规范要求。 3、该项目无**明令淘汰的工艺,设备、设施与工艺条件、内部介质相适应,特种设备及设施较齐全,按规定设置防雷、防静电接地,爆炸危险环境加油机按要求采用防爆型,符合相关标准规范要求。 5、企业设置了安全生产管理机构,配备了专职安全生产管理人员,建立了安全生产责任制和安全生产管理制度,编制了岗位操作规程,编制了生产安全事故应急预案,人员经过相应的培训,企业的安全生产管理正常。 6、作业条件危险性评价结果:在选定的评价单元中,作业危险程度均为“一般危险,需要注意”,作业条件相对安全。 7、危险度评价结果:汽油储罐的危险程度为**危险。油罐采用双层罐埋地设置,按要求设置了通气管,并装设了阻火器;设置了液位监测报警系统和紧急切断系统,设置加油双层管道及双层管道渗漏检测系统,其安全风险可控。 评价结论: 中国石化销售股份有限公司江西吉安泰和石油分公司京九加油站工艺设备和安全设施运行正常,安全管理机制运行正常,安全设施、措施达到设计要求和预期结果,可以满足建设项目安全生产的要求,安全生产管理**,项目具备危险化学品经营单位安全经营条件的要求。 | ||||
评价师照片 | |||||


























































































































